Sequence

幾何的に表現されるシーケンス制御の展開接続図
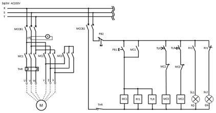
そこに配置される計器、遮断器、 開閉器、 継電器、 表示器
規格化され統一された図記号の数々と
その機器類を結び等間隔に交差する複数の直線

kikateki ni hyogen sareru shikensu seigyo no tenkaisetsuzokuzu
Sokoni haichi sareru keiki,shadanki,kaiheiki,keidenki,hyojiki
Kikakuka sare tōitsu sareta zukigō no kazukazu to
Sono kikirui o musubi tōkankaku ni kōsa suru fukusū no chokusen

 

回路の合理性に基づいて配置された方形と円形の数々は
電流により磁性化されるコイルや抵抗、半導体素子で構成される
その端々は接点で交互に結びつけられ
電流を開閉して定められた動作機能を確保する

kairo no gōrisei ni motozuite haichi sareta hōkei to enkei no kazukazu wa
Denryū niyori jiseika sareru koiru ya teikō,handōtai de kōsei sareru
Sono hasihbashi wa setten de kōgo ni musubi tsukerare
Denryū o kaiheshite sadamerareta dōsakinou o kakuho suru

一定の順序と速度で展開された電気エネルギーは
機械的エネルギーである原動機の回転力へ変換される
その現象は数学や物理学、化学で理論化され
流体解析されたある目標に向かって収束する

Ittei no junjo to sokudo de tenkai sareta denki enerugī wa
Kikaiteki enerugī dearu gendōki no kaitenryoku e henkan sareru
Sono gensyō wa sūgaku ya butsurigaku,kagaku de rironka sare
Ryūtaikaiseki sareta aru mokuhyō ni mukatte syūsoku suru

幾何的に表現されるシーケンス制御の展開接続図
その定義は「あらかじめ定められた順序または手続きに従って
制御の各段階を順次進めてゆく制御(JIS 旧規格C0401)」である
それは特定の順序動作に支配されながらもプログラムとして完結する

Kikateki ni hyōgen sareru shīkensu seigyo no tenkaisetsuzokuzu
Sono teigi ha [arakajime sada merareta junjo mataha tetsuzuki ni shitagatte,
Seigyo no kakudankai o junji susumeteyuku seigyo(JIS kyūkikakuk C0401)dearu
Sorewa tokutei no junjodōsa ni sihai sarenagaramo puroguramu toshite kanketsu suru

[Waka]
▼▼▼▼▼▼▼▼▼▼▼▼▼▼▼▼▼▼▼▼▼▼▼▼▼▼▼▼▼▼▼▼▼▼▼▼▼
産業と 都市の機能を 確保する 仕組みを描く シーケンス制御
Sangyō to toshi no kinō o kakuho suru shikumi o egaku shīkensu seigyo
▲▲▲▲▲▲▲▲▲▲▲▲▲▲▲▲▲▲▲▲▲▲▲▲▲▲▲▲▲▲▲▲▲▲▲▲▲

FR:
Un schéma de connexion étendu du contrôle de séquence exprimé géométriquement.
Instruments, disjoncteurs, interrupteurs, relais et indicateurs qui y sont placés.
Un certain nombre de symboles graphiques standardisés et unifiés et
Plusieurs lignes droites qui relient l'équipement et se croisent à intervalles égaux.

Un certain nombre de carrés et de cercles disposés en fonction de la rationalité du circuit
Il se compose d'une bobine magnétisée par le courant électrique, d'une résistance et d'un élément semi-conducteur.
Les extrémités sont reliées alternativement par des points de contact.
Ouvre et ferme le courant électrique pour assurer une fonction de fonctionnement définie.

L'énergie électrique déployée dans un certain ordre et à une certaine vitesse est
Elle est convertie en énergie mécanique, qui est la force de rotation du moteur principal.
Ce phénomène a été théorisé en mathématiques, en physique et en chimie.
Converge vers une certaine cible qui est analysée par le flux de fluide.

Un schéma de connexion étendu du contrôle de séquence exprimé géométriquement.
La définition est « conformément à un ordre ou à une procédure prédéterminée ».
Contrôle qui avance chaque étape du contrôle en séquence (ancienne norme JIS C0401).
Il se déroule comme un programme même s'il est régi par une séquence d'opérations spécifique.


【court poème】
▼▼▼▼▼▼▼▼▼▼▼▼▼▼▼▼▼▼▼▼▼▼▼▼▼▼▼▼▼▼▼▼▼▼▼▼▼▼
Assurer le fonctionnement de l’industrie et des villes,
Un diagramme de contrôle de séquence qui prend en charge la vie des gens.
▲▲▲▲▲▲▲▲▲▲▲▲▲▲▲▲▲▲▲▲▲▲▲▲▲▲▲▲▲▲▲▲▲▲▲▲▲▲